جیانگ سہنائڈر الیکٹرک کمپنی ، لمیٹڈ۔
جیانگ سہنائڈر الیکٹرک کمپنی ، لمیٹڈ۔
مصنوعات
BH-0.66-60 موجودہ ٹرانسفارمر
  • BH-0.66-60 موجودہ ٹرانسفارمرBH-0.66-60 موجودہ ٹرانسفارمر

BH-0.66-60 موجودہ ٹرانسفارمر

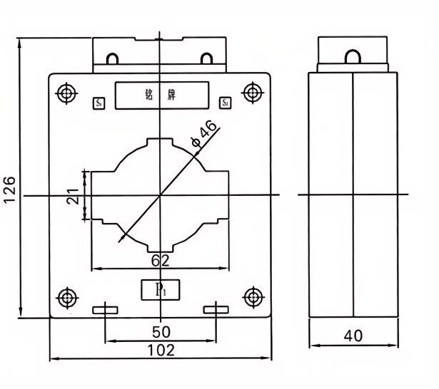
BH -0.66-60 موجودہ ٹرانسفارمر پی سی شعلہ - retardant مواد کو اپناتے ہیں ، اور مقناطیسی - انعقاد کرنے والا مواد 0.2 اور 0.5 کی سطح پر مصنوعات کی درستگی کو یقینی بنانے کے لئے ایک اینیلڈ ٹورائڈیل کور ہے۔ الٹرا - اعلی درستگی کی سطح جیسے 0.2s اور 0.5s کے لئے ، صرف سپر کنڈکٹنگ میگنےٹ اس طرح کی درستگی کی ضروریات کو پورا کرسکتے ہیں۔

BH-0.66-60 موجودہ ٹرانسفارمر بجلی کے نظام پر لاگو ہوتا ہے جس کی درجہ بندی کی تعدد 50Hz اور 0.66KV ، 0.69KV ، 0.5KV اور اس سے نیچے الیکٹرک انرجی میٹرنگ ، موجودہ پیمائش اور ریلے تحفظ کے لئے 0.66KV ، 0.69KV ، 0.5KV اور ریٹیڈ وولٹیج ہے۔


داہو کا یہ موجودہ ٹرانسفارمر انڈور استعمال کے لئے ہے ، جو تقسیم کیبینٹوں اور خانوں کے اندر نصب ہے۔ اس میں ایک ناول مقناطیسی سرکٹ ڈیزائن ، معاوضے کے جدید طریقے ، پروسیسنگ کے اعلی تکنیک ، محفوظ اور قابل اعتماد کارکردگی ، اور ایک چھوٹی سی اور خوبصورت شکل پیش کی گئی ہے۔


بیرونی شیل اعلی - طاقت کے شعلے سے بنا ہے - مکمل - منسلک ڈھانچہ اور شعلہ - V1 کی retardant درجہ بندی کے ساتھ retardant پی سی۔ اندرونی کور اعلی معیار کے اناج سے بنا ہے - اورینٹڈ سلیکن اسٹیل کی چادریں۔ درجہ حرارت میں کم اضافے کو یقینی بنانے کے لئے معاشی موجودہ کثافت کے مطابق تار قطر کا سختی سے انتخاب کیا گیا ہے۔ جدید اور قابل اعتماد جانچ کے سامان کے ساتھ ، یہ معیار کے معیارات کی تعمیل کو یقینی بناتا ہے۔


اس میں مربع اور گول سوراخ کی اقسام ہیں ، جو سنگل - جڑ یا ایک سے زیادہ - جڑ کیبل دخول یا سنگل - جڑ بسبر دخول کے لئے موزوں ہیں۔ اس میں ایک مکمل پروڈکٹ سیریز ، مختلف قسم کی وضاحتیں ، اور ایک وسیع اطلاق کی حد ہے۔


درخواستیں

توانائی کی نگرانی اور پیمائش

سرکٹ تحفظ اور ریلے کوآرڈینیشن

صنعتی آٹومیشن اور سمارٹ گرڈ سسٹم

تکنیکی وضاحتیں

ریٹیڈ وولٹیج: 0.66KV

تعدد: 50/60Hz

درستگی کی کلاس: 0.5 ، 1.0 (حسب ضرورت)

موصلیت کی سطح: 3KV/منٹ


اہم تکنیکی پیرامیٹرز

درجہ بندی پرائمری
موجودہ (a)
درستگی
کلاس
مجموعہ
ریٹیڈ سیکنڈری آؤٹ پٹ (VA) 1s تھرمل کرنٹ (کا) متحرک موجودہ (KA) کی درجہ بندی
0.2 (s) 0.2 0.5 10p10
5-40 0.2/10p10
0.5/10p10
/ 10 10 15 90lin 220lin
5-40 100lin 250lin
5-40 20 50
5-40
5-40 36 90
10
5-40 45 100
5-40 56 100
5-40
5-40 80 110
5-40 100 110


ہاٹ ٹیگز: BH-0.66-60 موجودہ ٹرانسفارمر
انکوائری بھیجیں۔
رابطہ کی معلومات
اگر آپ کو کوٹیشن یا تعاون کے بارے میں کوئی انکوائری ہے تو ، براہ کرم ہمیں دریائے@dahuelec.com پر ای میل کریں یا مندرجہ ذیل انکوائری فارم استعمال کریں۔ ہمارا سیلز نمائندہ 24 گھنٹوں کے اندر آپ سے رابطہ کرے گا۔ ہماری مصنوعات میں آپ کی دلچسپی کا شکریہ۔
X
We use cookies to offer you a better browsing experience, analyze site traffic and personalize content. By using this site, you agree to our use of cookies. Privacy Policy
Reject Accept